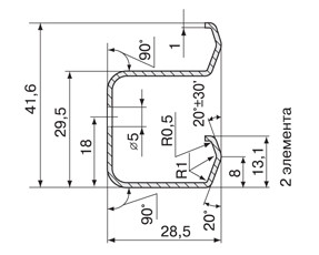
KH01 Ходовой металлический двуполозный профиль

KH01 Ходовой металлический двуполозный профиль
KH01 Ходовой металлический двуполозный профиль
Укажите количество (шт.)
Рекомендуемая розничная цена - по запросу

 

Алюминиевый ходовой профиль для шкафа-купе создан для применения в системах шкафов-купе «ТОП-ЛАЙН». Профиль используется при сборке конструкции двухполозного шкафа.

Особенности:

  • На разметке ходового профиля перфорация имеет шаг 80 мм.
  • Отверстия имеют размеры 5х8 мм.
  • Расстояние от края ходового профиля до центра первого отверстия 37 мм

 

Ваш город
Москва
Создай шкаф-купе!
Для Вашего удобства мы разработали программную визуализацию шкафа-купе в интерьере с возможностью изменения цвета профилей и наполнения.
Создать шкаф