Валенсия

Верхнеподвесная система

Валенсия

Верхнеподвесная система дверей «Валенсия»

Навесная система дверей «Валенсия», созданная для шкафов-купе, по праву считается наиболее престижным вариантом, при этом конечная цена, при сохранении качества, не является очень высокой.

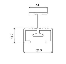
В новой разработке предусматривается возможность комбинировать наполнение 4 мм и 10 мм. Поэтому она занимает особое место в мебельном производстве современных шкафов-купе.

Навесная система «Валенсия» имеет эстетичный вид, представленный в стиле hi-tech. Она позволяет изготовить большие двери. Их ход будет безупречным благодаря превосходным двойным роликам, которые оснащены механизмом плавного закрывания. В итоге, собранные двери на системе Валенсия, придадут шкафу действительно стильный и элегантный внешний вид.

Базовые преимущества системы

В настоящее время, как крупные, так и небольшие производители современной мебели часто применяют такие системы для серийного производства. Это обусловлено широким перечнем достоинств дверной системы «Валенсия». В их числе:

  • приемлемая цена;
  • простота сборки – такие двери можно собрать даже в домашних условиях, используя отвертку и шестигранный ключ, что доступно человеку, не обладающему специальными навыками;
  • полное отсутствие дополнительных операций для обработки профиля;
  • возможность собрать двери высотой и шириной до 2,5 метров – благодаря длине соответствующего профиля в 5 м, что позволяет распилить изделие на две равные части;
  • рамочная система – делает возможной установку целой вставки из зеркала или из стекла.

В базовой комплектации навесная система предусматривает наличие доводчиков, которые обеспечивают плавное закрытие дверей.

При изготовлении дверей не нужно присаживать профиля, так как все собирается на закладные пластины. Допустимый вес конструкции - до 80 кг. Данная навесная система по эстетичности не уступает даже самым стильным решениям от зарубежных производителей.

Благодаря простоте монтажа и удобстве применения она завоевала популярность среди современных российских пользователей, которые отдают предпочтение высококачественным товарам. Подобрать оптимальное решение под соответствующие запросы в онлайн режиме теперь сможет каждый.

Комплектующие

Размеры 5.0 м.
Цвета доступные на складе
Софт тач белый
Софт тач белый
Софт тач черный
Софт тач черный
Хром матовый (анод)
Хром матовый (анод)
Размеры 5.0 м.
Цвета доступные на складе
Софт тач белый
Софт тач белый
Софт тач черный
Софт тач черный
Хром матовый (анод)
Хром матовый (анод)
Размеры 5.0 м., 5.5 м.
Цвета доступные на складе
Хром матовый (анод)
Хром матовый (анод)
Размеры 5.5 м.
Цвета доступные на складе
Хром матовый (анод)
Хром матовый (анод)

Прочие комплектующие

KV03 Рамочный профиль
KV03 Рамочный профиль
Размеры 5.0 м.
KV03 Рамочный профиль
1047 руб.
KV06 Добор малый
KV06 Добор малый
Размеры 5.0 м.
KV06 Добор малый
200 руб.
KV07 Добор большой
KV07 Добор большой
Размеры 5.0 м.
KV07 Добор большой
386 руб.
KV09 Разделитель
KV09 Разделитель
Размеры 5.0 м.
KV09 Разделитель
587 руб.
KV99 Профиль стяжка
KV99 Профиль стяжка
Размеры 5.0 м.
KV99 Профиль стяжка
395 руб.
Карта
Связаться с производителем

Для юридических лиц и индивидуальных предпринимателей

Даю согласие на обработку персональных данных в соответствии с политикой конфиденциальности.
Ваш город
Москва
Создай шкаф-купе!
Для Вашего удобства мы разработали программную визуализацию шкафа-купе в интерьере с возможностью изменения цвета профилей и наполнения.
Создать шкаф